Описание
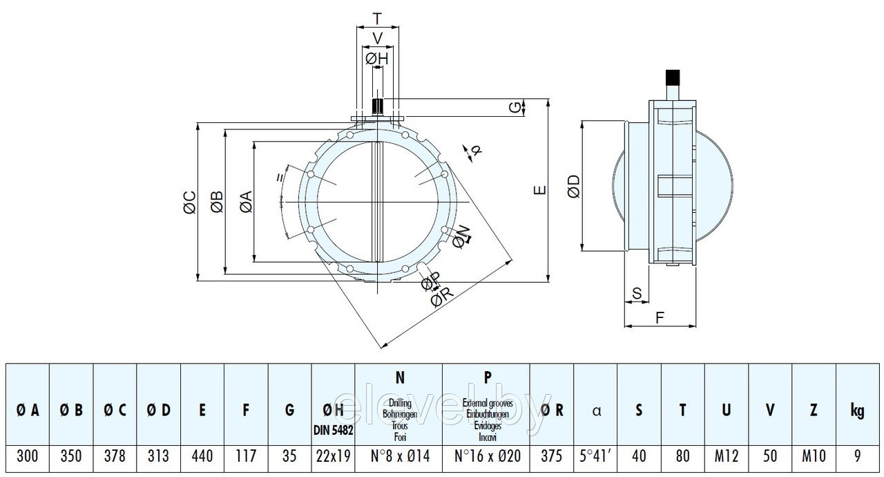
Дисковый однофланцевый затвор V1FS300SN (Ø300 мм) — регулирующая арматура марки WAMGROUP (Италия) с дозирующим элементом в форме диска, использующийся для регулирования подачи сыпучего материала на оборудовании. Корпус затвора изготовлен из алюминиевого сплава (или углеродистой стали) методом литья, кроме того он оснащается резиновым уплотнителем, что гарантирует герметичность устройства. Внутренние части и дисковой элемент покрыты техническим полимером. Затвор V1FS300SN можно использовать на любом оборудовании для дозирования гранулированных и сыпучих материалов.
Управление открытием и закрытием заслонки затвора V1FS300SN осуществляется при помощи пневматического CP101 (при больших нагрузках на диск затвора рекомендуется использовать электромеханический привод AE070A11). При использовании пневматических или электромеханических приводов на поворотных затворах серии V1FS так же рекомендуется устанавливать микропереключатель MIC23.
В комплекте: Пневматический привод для дисковых затворов в сборе с пневмораспределителем (220 VAC)и микропереключателем CP101+4V210+MIC23(220V)/ТТС








